본문

토목
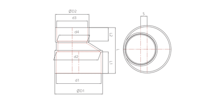
내충격 이음관이경소켓 (VG150-100)
제품규격
| 호칭지름 | L | L1 | L2 | ØD1 | ØD2 | S | d1 | d2 | d3 | d4 |
|---|---|---|---|---|---|---|---|---|---|---|
| 150X100 | 170 | 80 | 50 | 166 | 115 | 24.1 | 166 | 164 | 114.7 | 113.3 |
* 제품의 성능과 디자인은 품질 및 안전성 향상, 소음 감소 등을 위하여 별도의 사전 예고없이 일부 변경될 수 있습니다.

토목
내충격 이음관
| 호칭지름 | L | L1 | L2 | ØD1 | ØD2 | S | d1 | d2 | d3 | d4 |
|---|---|---|---|---|---|---|---|---|---|---|
| 150X100 | 170 | 80 | 50 | 166 | 115 | 24.1 | 166 | 164 | 114.7 | 113.3 |
* 제품의 성능과 디자인은 품질 및 안전성 향상, 소음 감소 등을 위하여 별도의 사전 예고없이 일부 변경될 수 있습니다.