본문

토목
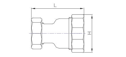
압력용 내충격 이음관소구경 이경소켓
제품규격
| 규격 | L | H |
|---|---|---|
| 20X16A | 75 | 55 |
| 25X16~20A | 81 | 66 |
| 30X16~25A | 88 | 74 |
| 35X16~25A | 88 | 74 |
| 40X16~35A | 95 | 81 |
| 50X16~40A | 102 | 96 |
* 제품의 성능과 디자인은 품질 및 안전성 향상, 소음 감소 등을 위하여 별도의 사전 예고없이 일부 변경될 수 있습니다.

토목
압력용 내충격 이음관
| 규격 | L | H |
|---|---|---|
| 20X16A | 75 | 55 |
| 25X16~20A | 81 | 66 |
| 30X16~25A | 88 | 74 |
| 35X16~25A | 88 | 74 |
| 40X16~35A | 95 | 81 |
| 50X16~40A | 102 | 96 |
* 제품의 성능과 디자인은 품질 및 안전성 향상, 소음 감소 등을 위하여 별도의 사전 예고없이 일부 변경될 수 있습니다.