본문

토목
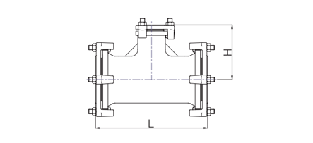
압력용 내충격 이음관대구경 이경티
제품규격
| 규격 | L | H |
|---|---|---|
| 125X75A | 404 | 197 |
| 150X75A | 364 | 199 |
| 150X100A | 392 | 204 |
| 200X75A | 396 | 229 |
| 200X100A | 424 | 234 |
| 200X150A | 470 | 261 |
| 200X75A | 465 | 290 |
| 250X100A | 470 | 298 |
| 250X150A | 543 | 289 |
| 250X200A | 585 | 310 |
| 300X75A | 472 | 300 |
| 300X100A | 477 | 308 |
| 300X150A | 534 | 324 |
| 300X200A | 592 | 332 |
| 300X250A | 650 | 345 |
* 제품의 성능과 디자인은 품질 및 안전성 향상, 소음 감소 등을 위하여 별도의 사전 예고없이 일부 변경될 수 있습니다.