본문

건축
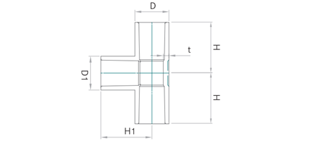
압력용 이음관티
제품규격
| 호칭지름 | D | t | H | D1 | H1 |
|---|---|---|---|---|---|
| 16 | 29 | 3.5 | 48 | 29 | 43 |
| 20 | 33 | 3.5 | 50 | 33 | 50 |
| 25 | 40 | 4.0 | 58 | 40 | 58 |
| 30 | 46 | 4.0 | 65 | 46 | 65 |
| ◆ 35 | 51 | 4.5 | 70 | 51 | 70 |
| 40 | 57 | 4.5 | 82 | 57 | 82 |
| 50 | 70 | 5.0 | 96 | 70 | 96 |
| 65 | 88.4 | 5.8 | 110 | 87 | 110 |
| 75 | 103.2 | 6.7 | 120 | 101 | 120 |
| 100 | 129 | 7.5 | 152 | 129 | 152 |
| 125 | 158 | 9.0 | 187 | 158 | 187 |
| 150 | 186.4 | 9.9 | 230 | 185 | 230 |
* 제품의 성능과 디자인은 품질 및 안전성 향상, 소음 감소 등을 위하여 별도의 사전 예고없이 일부 변경될 수 있습니다.