본문

건축
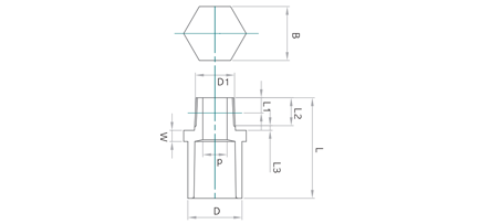
압력용 이음관밸브용소켓
제품규격
| 호칭지름 | D | 나사부 | W | L | B (취소치) |
||||
|---|---|---|---|---|---|---|---|---|---|
| 기본외경 D1 |
나사산수 25.4mm |
기본위치 위치L1 |
L1의 허용차 |
유효 나사부 길이L1 |
|||||
| 16X ½” | 29 | 20.955 | 14 | 8.2 | 3.6 | 15 | 6 | 54 | 29 |
| 20X¾” | 33 | 26.441 | 14 | 9.5 | 3.6 | 17 | 8 | 64 | 33 |
| 25X1” | 40 | 33.249 | 11 | 10.4 | 4.6 | 19 | 8 | 71 | 40 |
| 30X 1¼” | 46 | 41.910 | 11 | 12.7 | 4.6 | 22 | 10 | 80 | 46 |
| ◆ 35X 1¼” | 51 | 41.910 | 11 | 12.7 | 4.6 | 22 | 10 | 81 | 52 |
| 40X1½” | 57 | 47.803 | 11 | 12.7 | 4.6 | 22 | 10 | 92 | 57 |
| 50X2” | 70 | 59.614 | 11 | 15.9 | 4.6 | 26 | 12 | 106 | 70 |
| ◆ 65X2½” | 88.5 | 75.500 | 11 | 15.9 | 4.6 | 30 | 13 | 117 | 86 |
| 75X3” | 103.2 | 87.884 | 11 | 20.6 | 4.6 | 34 | 16 | 128 | 101 |
| ◆ 100X4” | 129 | 113.030 | 11 | 25.4 | 5.0 | 40 | 18 | 157 | 128 |
* 제품의 성능과 디자인은 품질 및 안전성 향상, 소음 감소 등을 위하여 별도의 사전 예고없이 일부 변경될 수 있습니다.