본문

건축
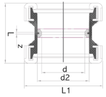
NC1 이음관DS50 (입상전용소켓)
제품규격
| 호칭지름 | Z | L | d2 | d | L1 |
|---|---|---|---|---|---|
| 50 | 2 | 74 | 60.5 | 50 | 91 |
* L은 표준치수를 나타냄
* 저소음, 일반관 겸용
* 양변기엘보는 슬리브 업체별 치수공차로 인해 삽입이 잘되지 않을 경우 반드시 고무망치를 사용하여 시공을 요함.
(일반 망치나 둔기류 등을 사용할 경우 제품 크랙이나 파손의 우려가 있음)
* 제품의 성능과 디자인은 품질 및 안전성 향상, 소음 감소 등을 위하여 별도의 사전 예고없이 일부 변경될 수 있습니다.