본문

건축
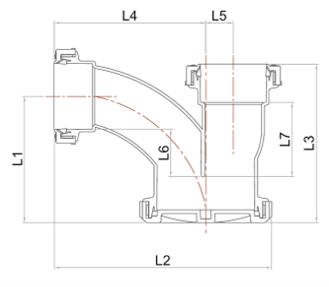
비압력용 이음관 [ URF이음관 ]URF P트랩 C형
제품규격
| 호칭지름 | L1 | L2 | L3 | L4 | L5 | L6 | L7 |
|---|---|---|---|---|---|---|---|
| 40X75 | 111.5 | 190 | 138.35 | 129 | 23 | 50 | 65 |
| 50X75 | 117 | 201 | 147 | 140 | 25.5 | 50 | 70.5 |
* 표준시방서기준 봉수깊이 충족
* 제품의 성능과 디자인은 품질 및 안전성 향상, 소음 감소 등을 위하여 별도의 사전 예고없이 일부 변경될 수 있습니다.

건축
비압력용 이음관 [ URF이음관 ]
| 호칭지름 | L1 | L2 | L3 | L4 | L5 | L6 | L7 |
|---|---|---|---|---|---|---|---|
| 40X75 | 111.5 | 190 | 138.35 | 129 | 23 | 50 | 65 |
| 50X75 | 117 | 201 | 147 | 140 | 25.5 | 50 | 70.5 |
* 표준시방서기준 봉수깊이 충족
* 제품의 성능과 디자인은 품질 및 안전성 향상, 소음 감소 등을 위하여 별도의 사전 예고없이 일부 변경될 수 있습니다.