본문

건축
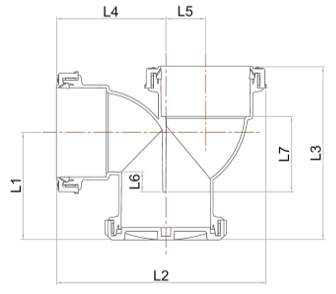
비압력용 이음관 [ URF이음관 ]URF P트랩 B형
제품규격
| 호칭지름 | L1 | L2 | L3 | L4 | L5 | L6 | L7 |
|---|---|---|---|---|---|---|---|
| 40X50 | 69.5 | 121 | 118.5 | 63 | 20 | 10 | 46.5 |
| 50X50 | 71 | 145.5 | 118.5 | 73 | 28 | 10 | 48 |
| 75X75 | 108 | 211 | 174.5 | 110.5 | 40 | 20.5 | 76 |
* 표준시방서기준 봉수깊이 충족
* 제품의 성능과 디자인은 품질 및 안전성 향상, 소음 감소 등을 위하여 별도의 사전 예고없이 일부 변경될 수 있습니다.