본문

건축
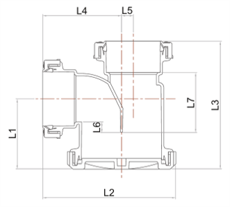
비압력용 이음관 [ URF이음관 ]URF P트랩 A형
제품규격
| 호칭지름 | L1 | L2 | L3 | L4 | L5 | L6 | L7 |
|---|---|---|---|---|---|---|---|
| 40X75 | 71.5 | 146 | 132 | 85 | 10 | 12 | 60 |
| 50X75 | 79 | 150 | 144 | 89 | 13 | 12 | 67.5 |
* 표준시방서기준 봉수깊이 충족
* 제품의 성능과 디자인은 품질 및 안전성 향상, 소음 감소 등을 위하여 별도의 사전 예고없이 일부 변경될 수 있습니다.

건축
비압력용 이음관 [ URF이음관 ]
| 호칭지름 | L1 | L2 | L3 | L4 | L5 | L6 | L7 |
|---|---|---|---|---|---|---|---|
| 40X75 | 71.5 | 146 | 132 | 85 | 10 | 12 | 60 |
| 50X75 | 79 | 150 | 144 | 89 | 13 | 12 | 67.5 |
* 표준시방서기준 봉수깊이 충족
* 제품의 성능과 디자인은 품질 및 안전성 향상, 소음 감소 등을 위하여 별도의 사전 예고없이 일부 변경될 수 있습니다.