본문

건축
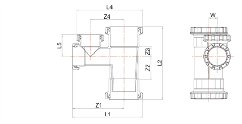
비압력용 이음관 [ 섹스티아 ]S-T / S-CT
제품규격
| 호칭지름 | Z1 | Z2 | Z3 | Z4 | L1 | L2 | L3 | L4 | W |
|---|---|---|---|---|---|---|---|---|---|
| 100X50X50 | 178 | 85 | 33 | 120 | 254 | 272 | 71 | 240 | 40 |
| 75X50X50 | 168 | 76 | 32 | 110 | 229 | 238 | 71 | 215 | 28 |
* 제품의 성능과 디자인은 품질 및 안전성 향상, 소음 감소 등을 위하여 별도의 사전 예고없이 일부 변경될 수 있습니다.

건축
비압력용 이음관 [ 섹스티아 ]
| 호칭지름 | Z1 | Z2 | Z3 | Z4 | L1 | L2 | L3 | L4 | W |
|---|---|---|---|---|---|---|---|---|---|
| 100X50X50 | 178 | 85 | 33 | 120 | 254 | 272 | 71 | 240 | 40 |
| 75X50X50 | 168 | 76 | 32 | 110 | 229 | 238 | 71 | 215 | 28 |
* 제품의 성능과 디자인은 품질 및 안전성 향상, 소음 감소 등을 위하여 별도의 사전 예고없이 일부 변경될 수 있습니다.